0

E-Flo-iQ-TH-D200-55.jpg E-Flo-iQ-TH-D60-16.jpg E-Flo-iQ-TH-D60-5.jpg


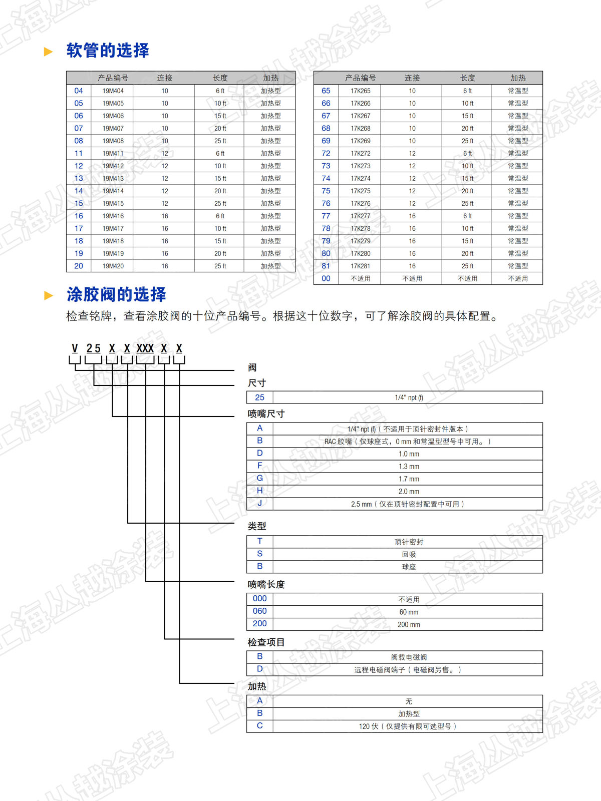
E-Flo iQ 单组份计量涂胶系统

• 电动伺服驱动马达,精确控制系统流量;

• 紧凑轻巧的iQ涂胶阀,三种不同出胶控制方式;

• 控制显示屏直观并易于使用,使设置、监控和诊断更为简单;

• 通讯网关支持多种通讯模式,易于兼容集成;

• 整套系统控制简单,无需添加其它控制部件。


上海丛越涂装
喷涂 涂胶 输送 润滑 其他

美国GRACO >【涂胶】>【单组份精密涂胶】的同类型其它产品:

 
 

产品详情




上海丛越涂装设备有限公司
地址:上海市奉贤区马家宅路318号3号楼
电话:021-64928022,64928778
Copyright© 2021 All rights reserved 版权所有


沪ICP备
06044076号
首页
回到顶部